Опора вала SHF 13, EMT
Уточните наличие и цену
Нашли дешевле?
Запрос цены
Наши менеджеры обязательно свяжутся с вами и уточнят условия заказа
Цена действительна при наличии товара на складе.
Минимальная сумма заказа - 1000 рублей.
Ответим на все интересующие вопросы и подберём оптимальный вариант info@euromehanika.ru
Описание
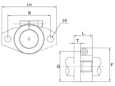
Концевая опора типа SHF 13, российского бренда ЕМТ, предназначена для торцевого монтажа направляющего вала диаметром 13 мм. Имеет ширину фланца 47 мм, межцентровое расстояние крепежных отверстий 36 мм. Держатель обеспечивает достаточную жесткость приспособления линейного перемещения.Характеристики
|
Тип
|
SHF13 |
|
Диаметр отверстия, d, мм
|
13 |
|
L, мм
|
13 |
|
G, мм
|
25 |
|
F, мм
|
28 |
|
Lm, мм
|
47 |
|
S, мм
|
5,5 |
|
Тип болта, мм
|
М5 |
|
T, мм
|
7 |
|
B, мм
|
36 |
|
Материал
|
Алюминий |
|
Производитель
|
EMT |
|
Вес, кг
|
0,020 |
Наличие
Новости
Все новости
6 апреля 2026
Нашли дешевле? Мы предложим максимально выгодную цену!
12 марта 2026
«Евромеханика» получила благодарственное письмо
6 марта 2026
Поздравляем с 8 Марта!




























