Муфта продольно-свёртная GBR 25
2 728 руб./шт
Есть в наличии
Нашли дешевле?
-
+
В корзину
Купить в 1 клик
Цена действительна при наличии товара на складе.
Минимальная сумма заказа - 1000 рублей.
Ответим на все интересующие вопросы и подберём оптимальный вариант info@euromehanika.ru
Описание
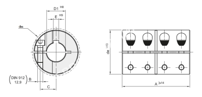
Муфта продольно-свёртная GBR 25, предназначена для крепления двух соостных валов. Не компенсирует перекосы, передает высокий крутящий момент. Конструктивно имеет шпоночный паз с двух сторон. Зажимается на валу винтами, не допуская осевого перемещения и не повреждая вал.Характеристики
|
Наружный диаметр, de, мм
|
45 |
|
Диаметр ступицы, dm, мм
|
51,5 |
|
Диаметр отверстия, D1, мм
|
25 |
|
e, мм
|
8 |
|
A, мм
|
75 |
|
B, мм
|
M6 x 16 |
|
C, мм
|
16,9 |
|
Материал
|
Сталь |
|
Производитель
|
BEA INGRANAGGI |
|
Вес, кг
|
0,62 |
Наличие
Новости
Все новости
6 апреля 2026
Нашли дешевле? Мы предложим максимально выгодную цену!
12 марта 2026
«Евромеханика» получила благодарственное письмо
6 марта 2026
Поздравляем с 8 Марта!




























