Подшипник 3305-B-2RSR-TVH FAG
Артикул:
3305B2RSRTVHFAG
Подшипник 3305-B-2RSR-TVH FAG
Подробнее
Уточните наличие и цену
Нашли дешевле?
Запрос цены
Наши менеджеры обязательно свяжутся с вами и уточнят условия заказа
Цена действительна при наличии товара на складе.
Минимальная сумма заказа - 1000 рублей.
Ответим на все интересующие вопросы и подберём оптимальный вариант info@euromehanika.ru
Описание
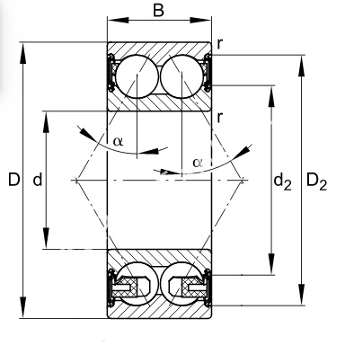
Шариковые радиально-упорные двухрядные подшипники воспринимают высокие радиальные и осевые нагрузки в двух направлениях.Характеристики
|
Диаметр отверстия подшипника, d, мм
|
25 |
|
Наружный диаметр подшипника, D, мм
|
62 |
|
Ширина подшиника, B, мм
|
25,4 |
|
Угол конакта, град
|
30 |
|
Количесво рядов тел качения
|
Двухрядный |
|
Уплотнения
|
Пластиковые |
|
D2, мм
|
53,1 |
|
r мин., мм
|
1,1 |
|
d1, мм
|
37,2 |
|
Динамическая грузоподъемность, радиальная, Cr, Н
|
30 000 |
|
Статическая грузоподъемность, радиальная, C0r, Н
|
20 000 |
|
Нагрузка предела усталости, радиальная, Cur, Н
|
900 |
|
Предельная частота вращения, nG, об/мин
|
6 700 |
|
Производитель
|
FAG |
|
Вес, кг
|
0,359 |
Наличие
Новости
Все новости
6 апреля 2026
Нашли дешевле? Мы предложим максимально выгодную цену!
12 марта 2026
«Евромеханика» получила благодарственное письмо
6 марта 2026
Поздравляем с 8 Марта!




























