Звездочка 12B-1, шаг 19,05х11,68 мм (3/4х7/16), Z=16 со ступицей (PS11016)
Звездочка 12B-1, шаг 19,05x11,68 мм (3/4 х 7/16), Z=16 со ступицей (PS11016)
Подробнее
1 044 руб./шт
Есть в наличии
Нашли дешевле?
-
+
В корзину
Купить в 1 клик
Цена действительна при наличии товара на складе.
Минимальная сумма заказа - 1000 рублей.
Ответим на все интересующие вопросы и подберём оптимальный вариант info@euromehanika.ru
Описание
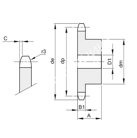
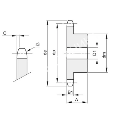
Звездочка является одним из элементов цепной передачи и служит для передачи вращения между параллельными валами, расположенными друг от друга на расстоянии. Изготавливаются из конструкционных марок сталей.Характеристики
|
Тип цепи
|
12B-1 |
|
Шаг цепи
|
19,05х11,68 мм (3/4х7/16) |
|
Количество рядов зубьев
|
Однорядная |
|
Число зубьев, шт
|
16 |
|
Посадка на вал
|
Под расточку |
|
Делительный диаметр, dp, мм
|
97,65 |
|
Наружный диаметр, de, мм
|
105,8 |
|
Диаметр ступицы, dm, мм
|
75 |
|
Диаметр отверстия, D1, мм
|
16 |
|
Размер ролика цепи, мм
|
12,07 |
|
Ширина зуба, B1, мм
|
11,1 |
|
Ширина звездочки, A, мм
|
35 |
|
r3,мм
|
19 |
|
Закалка зуба
|
Нет |
|
C, мм
|
2 |
|
Материал
|
Сталь C45 |
|
Производитель
|
BEA INGRANAGGI |
|
Вес, кг
|
1,34 |
Наличие
Новости
Все новости
6 апреля 2026
Нашли дешевле? Мы предложим максимально выгодную цену!
12 марта 2026
«Евромеханика» получила благодарственное письмо
6 марта 2026
Поздравляем с 8 Марта!




























