Виброизолятор PM4 50x25 55 Shore A
571.20 руб./шт
Уточните наличие и цену
Нашли дешевле?
Запрос цены
Наши менеджеры обязательно свяжутся с вами и уточнят условия заказа
Цена действительна при наличии товара на складе.
Минимальная сумма заказа - 1000 рублей.
Ответим на все интересующие вопросы и подберём оптимальный вариант info@euromehanika.ru
Описание
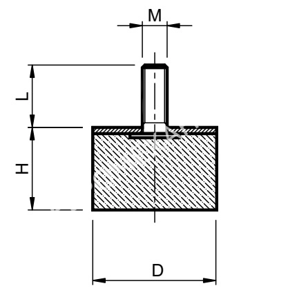
Виброизолятор PM4 50x25 55 Shore A Тип D, резинометаллический цилиндрический с одной резьбовой шпилькой. Данный буфер применяется для гашения толчков и снижения амортизационного хода движущихся масс. Применяется в станках, холодильном оборудовании.Характеристики
|
Тип
|
Тип D |
|
D, мм
|
50 |
|
H, мм
|
25 |
|
L, мм
|
28 |
|
M, мм
|
M10 |
|
Твердость
|
SHORE A 55° +/-5° |
|
Материал
|
Сталь оцинкованная |
|
Производитель
|
Tecnidea Cidue S.R.L. |
Наличие
Новости
Все новости
6 апреля 2026
Нашли дешевле? Мы предложим максимально выгодную цену!
12 марта 2026
«Евромеханика» получила благодарственное письмо
6 марта 2026
Поздравляем с 8 Марта!




























